Wbudowany przemysłowy miernik VA dla 250A 2-500V

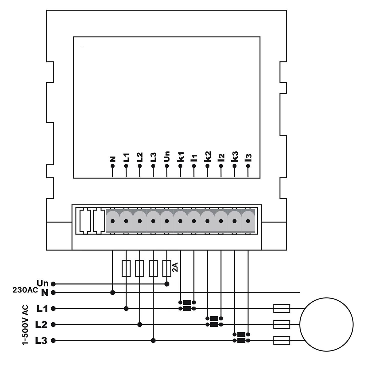
Trójfazowy panelowy miernik VA 10-250A/1-500V AC do pomiaru prądu, napięcia i sprawdzania połączeń fazowych w urządzeniach trójfazowych, maszynach lub systemach dystrybucji zasilania AC.

Panelowy miernik VA do pomiaru trójfazowej kontynuacja tekstu

Kod produktu:

104256

Warianty:

na stanie (6-25 szt.)
Wbudowany przemysłowy miernik VA dla 250A 2-500V 104256 https://www.expresspak.pl/images/produkty/2/4483/prumyslovy-va-metr-pro-vestavbu-250a-2-500v_1609846696.jpg
Cena: 1599.00
Dostupnost: na stanie 6-25 szt.
Cena z VAT Cena bez VAT
341,67PLN 277,78PLN
szt.
Trójfazowy panelowy miernik VA 10-250A/1-500V AC do pomiaru prądu, napięcia i sprawdzania połączeń fazowych w urządzeniach trójfazowych, maszynach lub systemach dystrybucji zasilania AC.

Panelowy miernik VA do pomiaru trójfazowej dystrybucji zasilania 1-500 V AC z pomiarem prądu w zakresie 10-250 A na każdej pojedynczej fazie. Multimetr jest przeznaczony do wbudowania w panel lub maszynę, jest wyposażony w listwę zaciskową do podłączenia cewek prądowych mierzących każdą fazę (w zestawie 3 cewki), cewki są uszczelnione i przewód musi być przez nie przeciągnięty, wewnętrzna średnica cewki wynosi 30 mm. Panel posiada dwa rzędy czerwonych wyświetlaczy LED, pierwszy rząd wyświetla napięcie/częstotliwość lub prawidłową kolejność faz (funkcje można przełączać za pomocą przycisków), drugi rząd służy do wyświetlania pobieranego prądu.

Multimetr jest przeznaczony do montażu panelowego. HxWxD) Urządzenie musi być zasilane napięciem AC 140-270V. Cewka prądowa jest podłączona do podwójnego przewodu o długości ok. 60 cm, który w razie potrzeby można dostosować za pomocą dłuższego przewodu.

Zawartość opakowania: amperomierz trójfazowy, 3 sztuki cewek pomiarowych.
Parametry
Napięcie zasilania 140-270 V/AC
Moc wejściowa 6VA
Zakres pomiaru prądu 10-250A
Rozdzielczość 1A
Dokładność ±%1
Zakres napięcia 1 - 500V AC
Wyświetlacz Czerwona dioda LED
Wewnętrzny wymiar cewki pomiarowej 30 mm
Wymiar zewnętrzny cewki pomiarowej 54 mm
Podłączenie przewodów listwa zaciskowa
Wymiary do instalacji 91x91x45mm (HxWxD)
Wymiary 97x97x52mm (HxWxD)
Waga 325g
Waga opakowania [kg]:0.56 kg
Więcej parametrów
Napięcie zasilania 140-270 V/AC
Moc wejściowa 6VA
Zakres pomiaru prądu 10-250A
Rozdzielczość 1A
Dokładność ±%1
Zakres napięcia 1 - 500V AC
Wyświetlacz Czerwona dioda LED
Wewnętrzny wymiar cewki pomiarowej 30 mm
Wymiar zewnętrzny cewki pomiarowej 54 mm
Podłączenie przewodów listwa zaciskowa
Wymiary do instalacji 91x91x45mm (HxWxD)
Wymiary 97x97x52mm (HxWxD)
Waga 325g
Waga opakowania [kg]:0.56 kg
Cyfrowy miernik panelowy prądu i napięcia przemiennego (woltomierz 60-500V AC + amperomierz 0-100A AC) do montażu w urządzeniach panelowych, sieciowych lub laboratoryjnych. Miernik VA z przednim kwadratowym panelem o wymiarach 28x28mm wyświetla mierzone napięcie 60-500V AC i prąd 0-100A AC na dwuwierszowym wyświetlaczu LED w kolorze żółtym o wysokości znaków 7 mm. Miernik nie wymaga oddzielnego zasilacza, jest zasilany bezpośrednio z zacisków pomiaru napięcia. Zacisk śrubowy z tyłu miernika VA służy do podłączenia przewodów mierzonego napięcia. Aby zmierzyć natężenie prądu, do miernika panelowego podłącza się przekładnik prądowy z otworem wewnętrznym o średnicy 15 mm, a przez otwór przekładnika przewleka się izolowany przewód fazowy w celu pomiaru przepływu prądu przemiennego. Przekładnik jest podłączony do przewodu o długości 30 cm ze złączem pośrodku. Do mocowania miernika V/A do panelu służy plastikowa nakrętka o średnicy 28 mm, która blokuje cały miernik od wewnątrz tablicy rozdzielczej, otwór do montażu woltomierza ma 22 mm.
70,96PLN / szt. 57,69PLN bez VAT
Kup
na staniewięcej niż 25 szt.
Kod:
103757
Cyfrowy amperomierz 0-100A do pomiaru prądu przemiennego, przeznaczony do montażu panelowego lub instalacji w urządzeniach sieciowych lub laboratoryjnych. Amperomierz z kwadratowym panelem przednim o wymiarach 28x28mm wyświetla zmierzony prąd w zakresie 0-100A na jednowierszowym zielonym wyświetlaczu LED o wysokości znaków 12mm. Miernik zasilany jest z sieci 230V, do podłączenia zasilania służy zacisk śrubowy z tyłu amperomierza. Aby zmierzyć natężenie prądu, do miernika panelowego podłączany jest przekładnik prądowy z otworem wewnętrznym 15 mm, izolowany przewód fazowy jest przewlekany przez otwór przekładnika w celu pomiaru przepływu prądu przemiennego. Przekładnik jest podłączony do przewodu o długości 30 cm ze złączem pośrodku. Do mocowania woltomierza do panelu służy plastikowa nakrętka o średnicy 28 mm, która blokuje cały miernik od wewnątrz tablicy rozdzielczej, otwór do montażu woltomierza ma 22 mm.
57,82PLN / szt. 47,01PLN bez VAT
Kup
na staniewięcej niż 25 szt.
Kod:
103756
Wielofunkcyjny miernik V/A na szynę DIN z pomiarem napięcia AC 80-300V, prądu 0-100A, częstotliwości 45-65Hz oraz poboru mocy i współczynnika mocy. Moduł jest przeznaczony do montażu na szynie DIN w szafach rozdzielczych w domach, warsztatach, fabrykach lub laboratoriach. Podłączony moduł wyświetla wszystkie ważne informacje o zasilaniu na czytelnym wyświetlaczu: napięcie, prąd, prąd i całkowity pobór, częstotliwość i współczynnik mocy. Do modułu podłączona jest cewka pomiarowa, która mierzy prąd do 100A metodą indukcyjną (bezdotykową). Cewki nie można otworzyć, dlatego konieczne jest przewleczenie kabla przez cewkę. Na przednim panelu modułu znajdują się trzy indywidualne podświetlane wyświetlacze o łącznym rozmiarze 36x32mm, wyświetlacze pokazują aktualne wartości prądu, napięcia i poboru mocy (A,V,W), po krótkim naciśnięciu przycisku poniżej wyświetlacza przełącza wyświetlane wartości na całkowity zmierzony pobór mocy, częstotliwość napięcia sieciowego i efekt. (Kwh, HZ i cos φ). Moduł zapamiętuje całkowite zużycie nawet po odłączeniu zasilania, długie naciśnięcie przycisku pod wyświetlaczem spowoduje zresetowanie całkowitego zużycia. Moduł zasilany jest bezpośrednio z sieci 230V, napięcie wejściowe realizowane jest przez wspólny zacisk śrubowy. Zawartość opakowania: miernik
262,82PLN 236,54PLN / szt. 192,31PLN bez VAT
Kup
na stanie
Kod:
103695
Towar w promocji
Wielofunkcyjny miernik panelowy z pomiarem napięcia 80-260V AC, prądu 0-100A za pomocą otwieranego przekładnika prądowego, częstotliwości 45-65Hz oraz poboru mocy i współczynnika mocy. Moduł nadaje się do instalacji w panelach lub skrzynkach konstrukcyjnych w warsztatach domowych, laboratoriach szkolnych i centrach serwisowych. Podłączony moduł wyświetla wszystkie ważne informacje o zasilaniu na czytelnym wyświetlaczu: napięcie, prąd, prąd i całkowity pobór, częstotliwość i współczynnik mocy. Wraz z modułem dostarczany jest przekładnik prądowy, który umożliwia pomiary prądu do 100A! Cewka mierzy prąd indukcyjnie (bezdotykowo), wystarczy podłączyć ją do modułu pomiarowego i "kliknąć" na obwód, który chcemy zmierzyć. Cewkę można otworzyć i kliknąć na urządzeniu lub już zainstalowanym urządzeniu elektrycznym. bez konieczności demontażu obwodu. Na przednim panelu modułu znajduje się duży podświetlany wyświetlacz o wymiarach 50x30mm, wyświetlacz może pokazywać wszystkie mierzone wartości jednocześnie: napięcie, prąd, pobór prądu W, całkowity pobór prądu W, częstotliwość i PF (współczynnik mocy). Obok wyświetlacza znajduje się tylko jeden przycisk wielofunkcyjny: krótkie naciśnięcie - włączenie/wyłączenie podświetlenia (stan podświetlenia jest pamiętany nawet po odłączeniu od zasilania), 3 s naciśnięcie: funkcja alarmu - służy do ustawienia mocy w watach, po przekroczeniu której podświetlenie i wartość mocy będą migać, 5 s naciśnięcie: po którym następuje krótkie naciśnięcie potwierdzające - wyzerowanie licznika całkowitego poboru mocy. Z tyłu modułu znajduje się listwa zaciskowa do zasilania modułu i wejścia cewki pomiarowej. Moduł jest zasilany bezpośrednio z sieci. Po odłączeniu od sieci moduł zapamiętuje ustawienia i całkowity pobór mocy. Schemat połączeń modułu można znaleźć w galerii produktu. Zawartość opakowania.
210,26PLN / szt. 170,94PLN bez VAT
Kup
na staniewięcej niż 25 szt.
Kod:
103669
Jesteśmy z Wami już 20 lat
Jesteśmy z Wami już 20 lat

Jesteśmy z Wami już 20 lat

Przez ten czas przeszliśmy długą drogę.
Jeśli interesuje Cię nasza historia, czytaj więcej.
Dziękujemy za Wasze zaufanie!